Passer au contenu principal Passer à la recherche Passer à la navigation principale
Retour à la page d'accueil

Rampe à patins « Compact » pour rééquipement

3000 mm / 12 sorties de tuyaux
Informations sur le produit

Rampe à patins « Compact » pour rééquipement
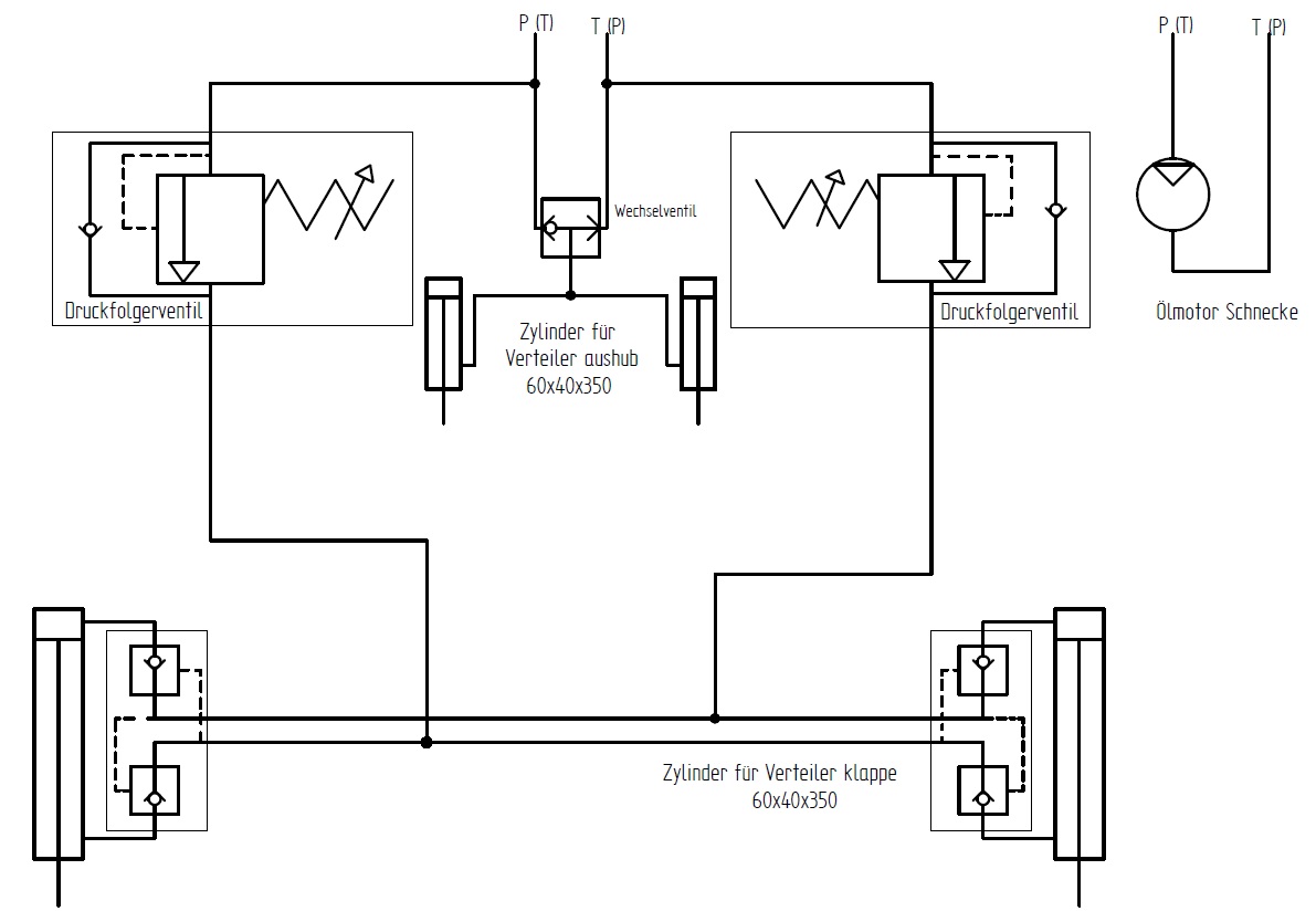
La solution de rééquipement universelle pour rampe avec des options supplémentaires spéciales – la rampe à patins « Compact » de Fliegl peut être facilement rééquipée sur chaque tonne à lisier et ce kit prémonté est opérationnel en quelques minutes. Le lisier est acheminé dans les tuyaux grâce à notre système de répartition à vis sans fin breveté FLIEGL. Le système de répartition à vis sans fin permet d’éviter tout phénomène de bouchage en acheminant les corps étrangers en bout de chaîne dans un bac pierre. Il permet également la bonne répartition du lisier sur toute la largeur de la rampe. La surface des champs n'étant pas toujours régulière, la rampe « Compact » possède une compensation de dévers intégrée. Grâce à leur forme coudée spéciale, les lames en acier flexible utilisées permettent de s'adapter parfaitement au sol et de garantir une pression uniforme sur tous les patins.

Données techniques
» Version galvanisée
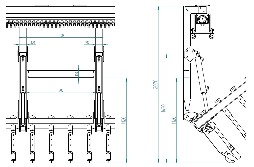
» Largeur de transport : 3000 mm
» Hauteur de transport : 2200 mm
» Poids selon la version : env. 340 - 700 kg
» Bloc de vannes électro-hydrauliques de série incl. relais temporisé pour la commutation automatique de la vis sans fin
» 1 connexion double effet ou 1 connexion simple effet avec retour sans pression nécessaire

Caractéristiques
» La répartition des sorties de tuyaux sur toute la largeur du carter de vis réduit le chemin à parcourir par le lisier
» Les lames à ressort spécialement coudées assurent une adaptation idéale au sol
» Le poids réduit de la rampe permet de l'utiliser sur des tonnes à lisier plus petites
» Montage facile sur toutes les tonnes – indépendamment du fabricant
» Rééquipement simple – même sur les tonnes plus anciennes
» Meilleure adaptation au sol avec compensation de dévers intégrée et pression uniforme sur tous les patins
» Le lisier s'écoule directement dans le cadre qui intègre un carter de vis
» Vis sans fin et carter de vis en acier inoxydable, cadre galvanisé
» Bac à pierres à ouverture mécanique
» Incl. kit de montage pour l'attelage à toutes les tonnes – travaux d'adaptation nécessaires
» Incl. protection de transport avec éclairage et panneaux d'avertissement pour le transport sur route 


Départ: 12
Largeur de travail (mm): 3000
Type d'article: Rampe à patins « Compact »
Video "Rampe à patins « Compact » pour rééquipement"

0 sur 0 évaluations

Note moyenne de 0 sur 5 étoiles

Laissez une évaluation !

Partagez avec d'autres clients votre avis sur le produit.